Marca: EATON – DANFOSS
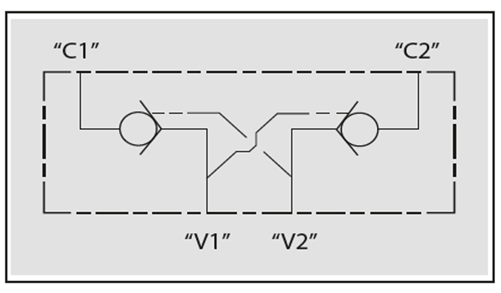
VÁLVULAS ANTIRRETORNO PILOTEADA EN LÍNEA
Válvulas que permiten el lujo hacia una dirección, sin permitir que este lujo retorne.
Este tipo de válvula es insertable en un block, también se puede usar en manifolds compactos.
Características
Flujo Unidireccional
Tipo En Línea
Presión 310
Grado de Limpieza Recomendado 18/16/13
VÁLVULA ANTIRRETORNO SIMPLE PILOTEADA EN LÍNEA
| SAP | Modelo | Presión de Apertura (bar) |
Cavidad | Presión Ruptura (bar) |
Conexión | Caudal Máx. L/min |
|---|---|---|---|---|---|---|
| 3002977 | POC1-10-F-I-S8T-005 | 0,3 | C-10-3S | 310 | SAE 8 | 57 |
| 3002966 | POC1-10-F-I-S10T-030 | 2 | C-10-3S | 310 | SAE 10 | 57 |
| 3002968 | POC1-12-F-I-S10T-005 | 0,3 | C-12-3S | 310 | SAE 10 | 114 |
| 3002981 | POC1-12-F-I-S-12T-030 | 2 | C-12-3S | 310 | SAE 12 | 114 |
| 3003378 | SPC1-16P-12T | 4:1 | C-16-2 | 210 | SAE 12 | 151 |
VÁLVULA ANTIRRETORNO DOBLE PILOTEADA EN LÍNEA
| SAP | Modelo | Presión de Apertura (bar) |
Cavidad | Presión Ruptura (bar) |
Conexión | Caudal Máx. L/min |
|---|---|---|---|---|---|---|
| 3002961 | DPC1-16-P-6B | 4:1 | C-16-2 | 210 | BSP 3/4″ | 151 |
| 3002962 | DPC1-20-P-20T | 4:1 | C-20-2 | 210 | SAE 20 | 227 |
VENTAS OFICINA
Jose Olave. : +56 9 6523 7400
Mario Zuñiga. : +56 9 6523 5300
Carlos Contreras. : +56 9 5495 7139
VENTAS TERRENO
Miguel Lorca. : +56 9 6523 5100
Marcial Correa. : +56 9 6523 1200
Yonathan Valdes. : +56 9 6523 7800
Sebastian Maulen. : +56 9 6523 1200
Daniel Velasquez. : +56 9 6523 5200
You can see how this popup was set up in our step-by-step guide: https://wppopupmaker.com/guides/auto-opening-announcement-popups/
